产品中心

LTS1系列剪式电动升降台

LTS1系列剪式电动升降台技术优势:● 主体材质采用优质铝合金,表面喷砂氧化黑;● 标配为步进电机和标准DB9接口,配合控制器可实现自动化控制;● 采用剪刀形

产品介绍

LTS1系列剪式电动升降台


LTS1系列剪式电动升降台.png


技术优势:

  • ● 主体材质采用优质铝合金,表面喷砂氧化黑;

  • ● 标配为步进电机和标准DB9接口,配合控制器可实现自动化控制;

  • ● 采用剪刀形升降支撑,精研丝杠驱动,双导轨五轴定位机构,保证运动平稳、舒适,精度高,承载大;

  • ● 上下两面多孔位设计,适用性强,均可作安装面;

  • ● 用于大行程,不定量,大载荷的升降调整;

技术参数:

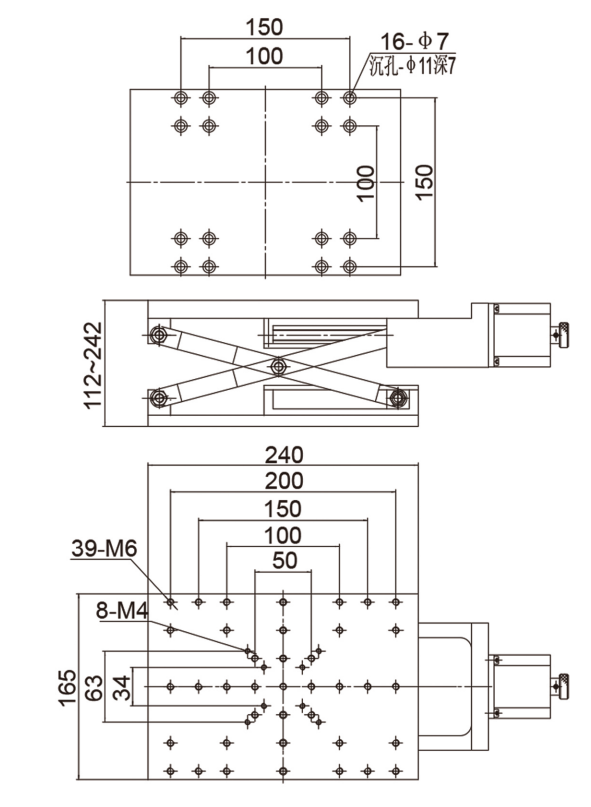
型号LTS160LTS1130
行程60mm130mm
台面尺寸80mm × 120mm165mm × 240mm
分辨率0.005mm(8 细分)
重复定位精度0.02mm
最大速度5mm/s6mm/s
标配电机步进电机
最大静转矩0.4N·m0.8N·m
中心最大负载10kg18kg
自重1.5kg3kg

尺寸对照表:

LTS1-1.png

LTS1-2.png

LTS160

LTS1130


标签:

025-86550730