产品中心

RTS1 精密型电动旋转台

RTS1 精密型电动旋转台RTS160RTS1100RTS1200RTS1300RTS1400技术优势:● 主体材质采用优质铝合金,表面喷砂氧化黑;● 标配为步

产品介绍

RTS1 精密型电动旋转台

RTS160电动旋转台.png

RTS1100电动旋转台.png

RTS1200电动旋转台.png

RTS1300电动旋转台.png

RTS1400电动旋转台.png

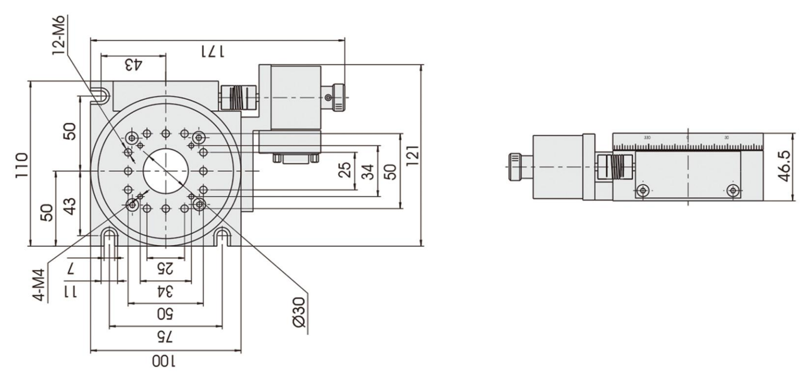
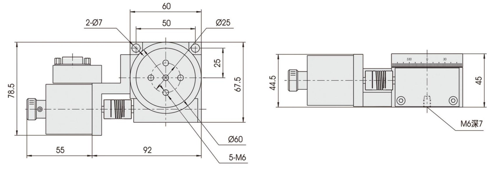
RTS160
RTS1100
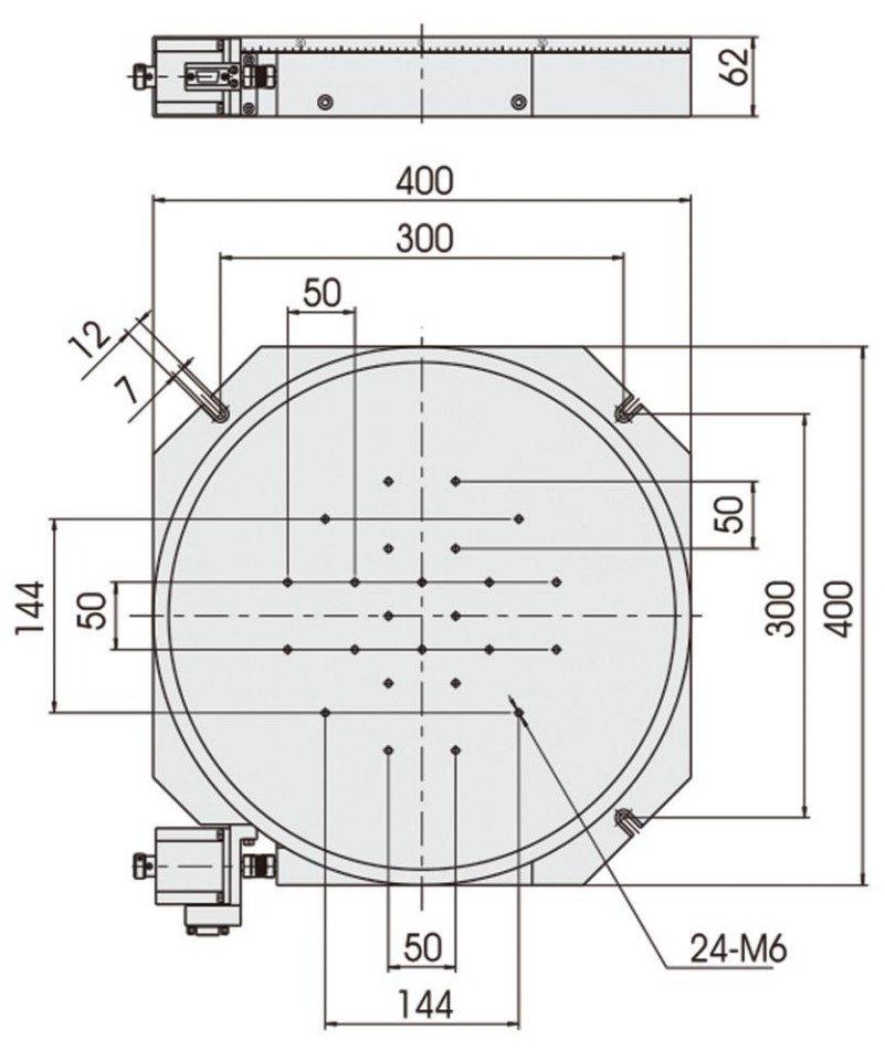
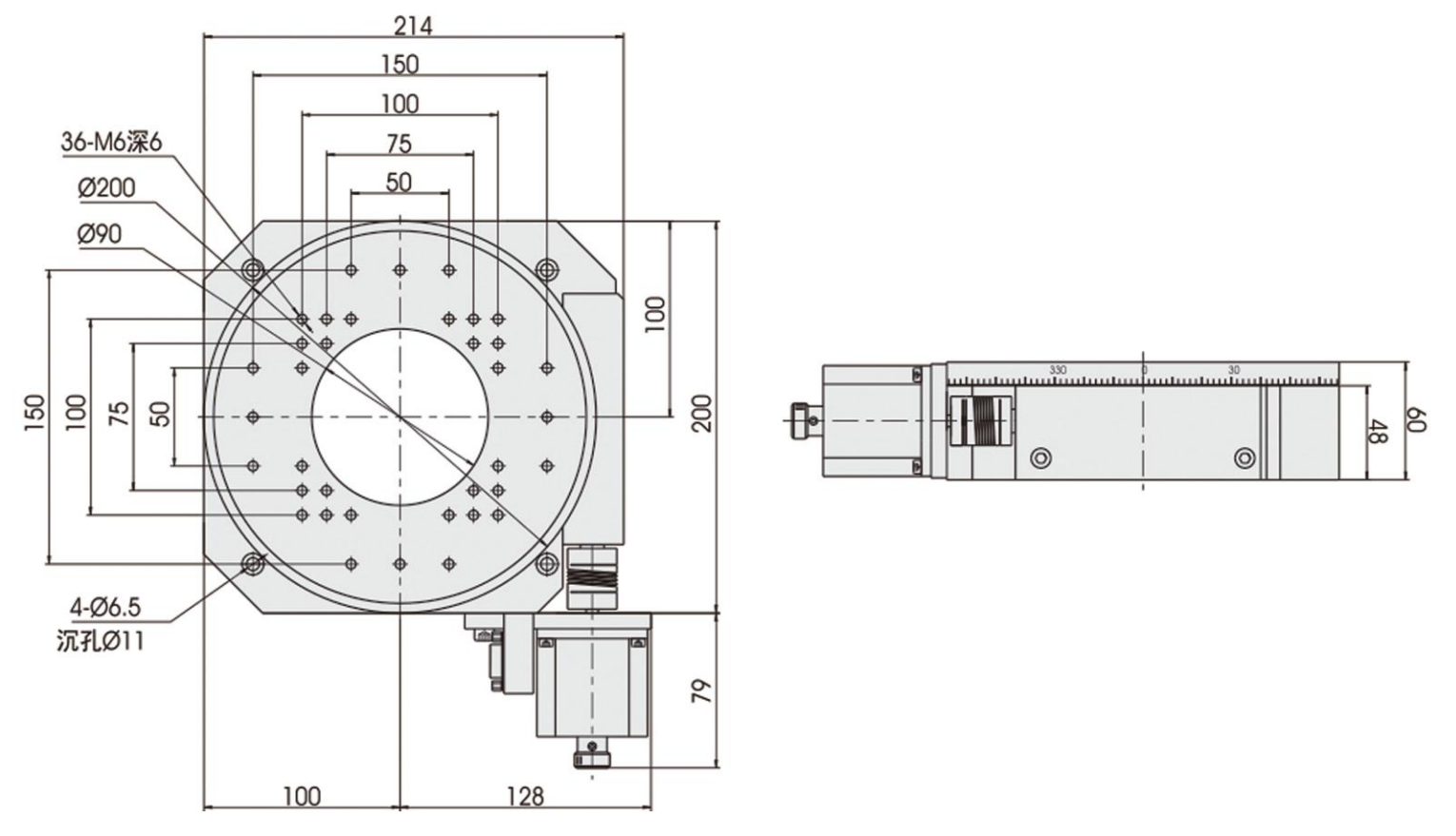
RTS1200RTS1300RTS1400

技术优势:

  • ● 标配为步进电机和标准DB9接口,配合控制器可实现自动化控制;

  • ● 旋转轴系采用轴承钢材料精密加工而成,配合精度高,承载大,寿命长;

  • ● 精密研配蜗轮蜗杆结构,台面可以任意正反旋转,运动舒适,空回极小;

  • ● 巧妙的消除间隙设计,可以调整因长期使用造成的间隙;

  • ● 中心孔与旋转中心重合并有严格的直径公差,方便定位;

  • ● 步进电机和蜗杆通过进口高品质弹性联轴节连接,传动同步且噪音小;

  • ● 台面外圈是刻度圈,周围激光刻划标尺且可以相对台面转动,方便读数和初始定位;

  • ● 可换装伺服电机,适合工业应用;

  • ● 可增加光电零位;

  • ● 底座有标准孔距的螺纹孔和通孔,方便安装固定;

  • ● 可以根据客户应用定制不同台面尺寸;

技术参数:

型号RTS160RTS1100RTS1200RTS1300RTS1400
台面直径φ60mmφ100mmφ200mmφ300mmφ400mm
传动比
中心通孔直径5mm
分辨率0.0015625mm(8 细分)
重复定位精度±0.001mm
绝对位置精度±0.003mm
最大速度20mm/s40mm/s
轴向间隙0.03mm
标配电机步进电机
额定工作电流1.7A
中心负载30kg
自重5.2kg5.7kg6.2kg6.7kg7.7kg

尺寸对照表:

RTS1-1.png

RTS1-2.png

RTS1-3.png

RTS160

RTS1100

RTS1200

RTS1-4.png

RTS1-5.png

RTS1300

RTS1400


标签:

025-86550730