公司介绍
发展历程
企业文化
荣誉资质
合作伙伴
探针台及附件
二维材料转移平台
光电测试系统
精密波导耦合系统
光学隔振平台
OCT成像系统
激光器
宽带光源
教学/科研光路系统
运动控制
显微观察
光谱成像
细分光仪器与模块
精密检测与分析
光学设计镀膜
微纳材料表征测试服务
公司动态
科普资料
光学平台
探针台
光电系统
波导耦合系统
联系方式
在线留言
测试服务
探针台及附件彩页
使用手册(Manual)
软件相关(Software)
视频资料(Video)
简体中文
English
基础测试探针台
恒温(加热)测试探针台
高低温真空探针台
太阳能电池测试探针台
原位高精度电动拉伸探针台
探针座
探针台附件
数字源表
精密型二维材料转移平台
高分辨二维材料转移平台
高分辨电动二维材料转移平台
二维材料附件
透反率测试系统
光致发光测试系统
电致发光测试系统
高精密手动波导耦合平台
高精密半自动波导耦合平台
高精密全电动波导耦合平台
光波导耦合系统附件
精密阻尼隔振光学平台
精密气浮隔振光学平台
三线摆式高性能气浮隔振光学平台
标准型光学仪器架
铝型材光学仪器架
光学隔振面包板
标准光学面包板
SD-OCT光谱仪
SD-OCT迈克尔逊干涉扫描系统
TD-OCT成像系统
飞秒激光器
皮秒激光器
纳秒激光器
连续窄线宽激光器
标准连续激光器及模组
超连续谱光源
AOTF声光可调滤波器
模拟日光氙灯光源
紫外增强型氙灯光源
高功率氙灯光源
波长可调谐单色光源
科研级卤钨灯光源
稳态3A级太阳光模拟器
LED光源
LED 太阳光模拟器
汞氩灯波长校准光源
全场时域OCT教学实验系统
光谱仪原理与技术实验
光通信系列实验
电动位移台综合介绍
电动单轴平移台
电动双轴平移台
电动升降台
电动旋转台
电动双轴倾斜台
电动角位台
电动组合位移台
TPL2系列运动控制器
线性滚珠导轨手动平移台
交叉滚珠导轨手动平移台
Mitutoyo物镜
Olympus物镜
超长工作距离平场Apo物镜
CX40M金相显微镜
ZX60L明暗场正置金相显微镜
MX6R正置金相显微镜
三光栅单色仪/光谱仪
PI光栅扫描光谱仪
光纤光谱仪
PI 高性能科学相机
USB3.0 CMOS相机
GigE CMOS相机
特殊相机
2K液晶空间光调制器
HDSLM系列空间光调制器
UIP通用型积分球
PLQY-M荧光量子效率积分球
镀金积分球
LIV测试积分球
漫反射标准白板
光纤光栅(串)
激光功率计
激光测振仪
光束质量分析仪
多功能高分辨扫描电镜
原子力显微镜
共聚焦拉曼测试
X射线衍射仪
积分球光电测试系统
半导体器件探针台测试服务
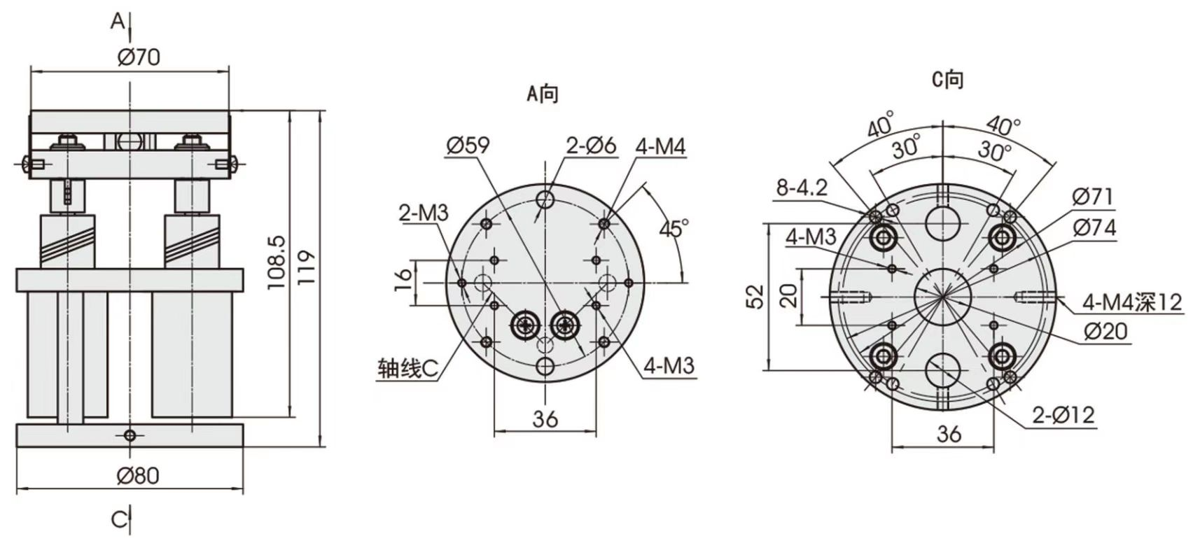
DTS1 电动双轴倾斜台技术优势:● 主体材质采用优质铝合金,表面喷砂氧化黑;● 标配为步进电机和标准DB9接口,配合控制器可实现自动化控制;● 提供电动双轴倾
● 主体材质采用优质铝合金,表面喷砂氧化黑;
● 标配为步进电机和标准DB9接口,配合控制器可实现自动化控制;
● 提供电动双轴倾斜调整;
● 调整螺杆采用M6×0.25超细牙螺杆,实现精密调整;
● 底座有标准孔距的螺纹孔和通孔,方便安装固定;
DTS15